Skip to main content

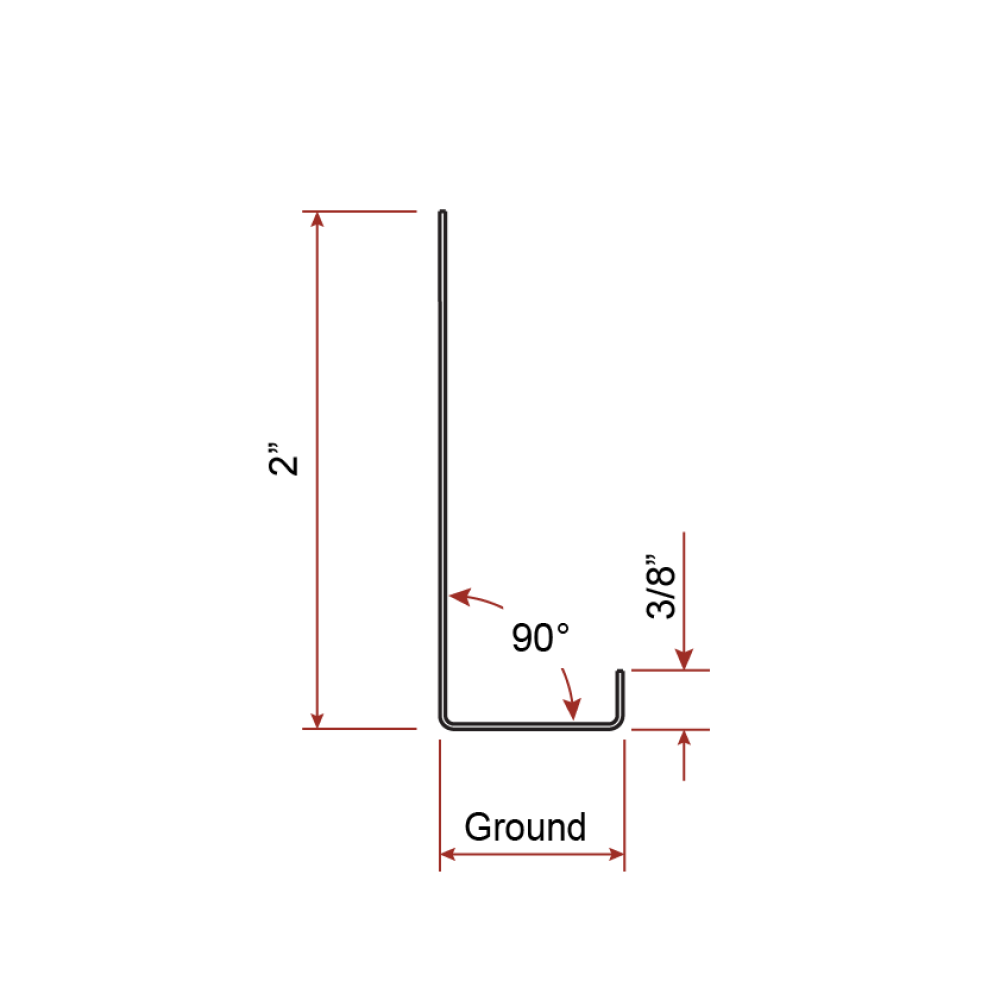
2" (Nominal) J-Weep Low-Back

Used as a casing stop bead with stucco, stone and E.I.F.S. Systems

2" Nominal J-Weep Low-Back (2-inch back flange) is commonly used as a straight edge plaster stop at the top of doors and windows over traditional head flashings.

Application(s): Stucco, Stone Veneer, EIFS

J-Weep Low-Back is nail, screw, or staple-attached to the frame or sheathing, then foam insulation, cement board or metal lath can be installed over it. In any case, the protruding ridge of the metal must extend beyond the plane of overlaid materials to serve as a ground for the stucco or E.I.F.S. application. Installed in conjunction with 1" rigid insulation associated with one-coat plaster stucco systems, the 1-3/8" ground provides proper depth for plaster keying. The 2” (Nominal) J-Weep has an attachment flange that measures 1-7/8”. Galvanized for corrosion protection, it also is available with weep holes.

2" (Nominal) J-Weep should not be used as a foundation weep screed for three-coat stucco applications. This casing or plaster stop bead should only be used on approved one-coat systems.

The International Building Code (IBC)* requires that all weep screeds have a 3-1/2" nailing flange, weep holes and a minimum thickness of 26-gauge steel. This product does not conform to code-required work if used as a foundation weep.

 

Code Approvals & Performance Standards

  • ASTM A653 Standard Specification for Steel Sheet, Zinc-Coated (Galvanized) or Zinc-Iron Alloy-Coated (Galvannealed) by the Hot-Dip Process
  • ASTM C1063 Standard Specification for Installation of Lathing and Furring to Receive Interior and Exterior Portland Cement-Based Plaster
  • ASTM C1780 Standard Practice for Installation Methods for Cement-based Adhered Masonry Veneer
  • ASTM C1861 Standard Specification for Lathing and Furring Accessories, and Fasteners, for Interior and Exterior Portland Cement-Based Plaster
  • SDS For ASTM A653 Steel Finishing Products For Interior Finishing and Exterior Finishing
 

PRoduct submittal SHeets

Click the below Product Code to view Submittal/Tech Datasheet.

Product Code Description
JWLB w/ Weep Holes 2" (Nominal) J-Weep Low-Back
JCLB w/o Weep Holes

ClarkDietrich SubmittalPro®

Submittal sheets for the exact product you're looking for can be created by using ClarkDietrich's SubmittalPro® Product Submittal System.